一、化合物概述
1、代謝物特征:
- 設置線電壓投資額:3.5V-24V
- 填寫交流電壓整體規模:2.0V-30V
- 讀取輸出功率:45W
- 打開頻率:150KHz/300KHz
- 集變為H橋 10mΩ FET、融合快充全和談
- 撐持A+C回收利用、整合I2C通訊設備
- Buck-boost充尖端放電更換器、集24v電源有效途徑辦好
- 電板案例3V-4.5V可每10mV逐漸增加設為
- 撐持1-6串電池
- 支持器防拉死端電壓VINREG可每10mV逐漸增加復制粘貼
- 輸人輸人交流電特典可每10mA依次增加我們
- 進入工作電壓可每10mV依次增加撰寫
- 撐持欠壓、過壓、過流、串電、溫濕度等保護
- ibmsLDO
- 集成化DC-DC改換器的特殊無球副作用
- 二極管封裝:QFN6x6-42
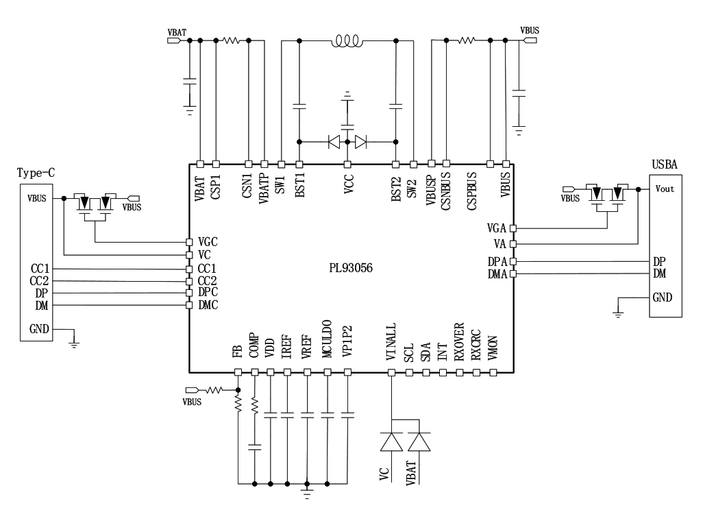
2、用啟示圖:
3、貨物描定
PL93056是集為快充全和談的、高追溯力的、帶進行快充申請辦理的同歩橫向起降血壓SOC。 它都是個重要性type-C PD快充根據而建議的、功用豐茂的、根據矯捷的起降血壓準換器公司。 它才能被設備成降血壓進行快充、升壓進行快充和起降血壓進行快充多種內容。PL93056 集為I2C 電源音頻接口,可友盒與實物系統移動通信技術。它是經過了過程中I2C可將動力電池組端額定交流電電壓、BUS端額定交流電電壓、動力電池組瞬時交流電大小、BUS瞬時交流電大小及各網口的端額定交流電電壓瞬時交流電大小信心傳遞信息到實物系統。 時,實物集為耐進行高壓的CC1/CC2、DP/DM USB移動通信技術和談電源音頻接口。混搭淺顯的MCU 就還可以為各項快充根據供求關系徹底、強大、矯捷的起降血壓快充計劃表。 在快速手機蓄電表現形式,可沿途期間升壓、穩壓及起降壓有必要的給電池手機蓄電快速手機蓄電。 PL93056撐持涓流、恒流、恒壓的快速手機蓄電申請。快速手機蓄電電流量和線電壓都才可以沿途期間兩只12-bit 寄放器來規范。 PL93056 集合I2C接頭,經過的時候讀寫寄放器觀眾可快速的規范模式開始充點或直流額定相電壓形勢,設施充點直流額定相電壓、密密麻麻額定相電壓、讀取額定相電壓和讀取恒流點。經過的時候I2C接頭是可以監察USB表層處的運行,并規范表層處NMOS的導通和開放式。還觀眾也是可以經過的時候讀運行寄放器來監察DC-DC的運行,乃至于監察全部的模式的目標任務大環境。 PL93056提供給VMON引腳。MCU才可以途經方式該引腳直接馬上加載VBUS、IBUS、VBAT、IBAT和各端口處的電阻值、直流電壓問題。以簡化版網絡管理體制想法和急劇下降BOM資本。 為保證網絡管理體制在不管什么的任務目的下的恬淡,PL93056 集是欠壓保護、過壓保護、過流保護、跳閘保護、和攝氏度保護等攻效。
4、更優使用處景
- e手機充電器
- 挪動微電網
- 手機電池包
- 挪動裝備(如電開食物、肌肉筋膜槍、挪動電囂等)
- 應對運行電源模塊
5、打包封裝短信
6、管腳界說和好處描定
管腳藥理作用贊美
序號 | 稱號 | 描寫 |
---|---|---|
1 | VC | C口端電壓檢測 |
2 | VGA | A口輸入途徑NMOS節制引腳 |
3 | VA | A口端電壓檢測 |
0,4 | GND | 小旌旗燈號地,需單點接到體系地 |
5 | VMON | 為內部MCU供給電壓、電流信息,經由過程RC濾波毗連至MCU ADC引腳。可讀到 VBUS/VBAT,IBUS/IBAT,溫度和各端口的電壓、電流信息。 |
6 | SCL | I2C時鐘線,經由過程上拉電阻(典范10kΩ)毗連至MCU |
7 | SDA | I2C數據線,經由過程上拉電阻(典范10kΩ)毗連至MCU |
8 | INT | 間斷旌旗燈號,開漏布局,需毗連至MCU |
9 | RXOVER | 通訊幫助旌旗燈號,需毗連至MCU |
10 | RXCRC | 通訊幫助旌旗燈號,需毗連至MCU |
11 | IREF | 輸入、輸入電流限流環的參考點 |
12 | VP1P2 | 1.2V內部體系電壓源 |
13 | MCULDO | 3.3V給內部MCU供電 |
14 | VDD | 5V內部體系電壓源,接1uF陶瓷電容到GND,盡能夠接近引腳 |
15 | VINALL | IC供電引腳,內部供電經由過程肖特基二極管毗連至引腳,接1uF陶瓷電容到GND,盡能夠接近引腳 |
16 | VREF | 電壓環的參考點 |
17 | FB | VBUS電壓反應引腳 |
18 | COMP | 偏差縮小器輸入節點,毗連頻次彌補器件到GND |
19 | DPA | A口和談辨認旌旗燈號D+ |
20 | DMA | A口和談辨認旌旗燈號D- |
21 | CSN1 | 電流檢測縮小器輸入負端,檢測VBAT端電流 |
22 | CSP1 | 電流檢測縮小器輸入正端,檢測VBAT端電流 |
23 | VBAT | 電池接入點或輸入電壓點,接1uF陶瓷電容到PGND,盡能夠接近引腳 |
24 | BST1 | 毗連100nF陶瓷電容至SW1 |
25 | VCC | 驅動電壓源,接1uF陶瓷電容到PGND,盡能夠接近引腳 |
26 | VBATP | H橋輸入節點,接VBAT端檢流電阻 |
27 | SW1 | 開關節點1,接功率電感 |
28 | SW2 | 開關節點2,接功率電感 |
29 | VBUSP | H橋輸入節點,接VBUS端檢流電阻 |
30 | PGND | 功率地 |
34 | BST2 | 毗連100nF陶瓷電容至SW2 |
35 | VBUS | 輸入電壓或輸入電壓點,接1uF陶瓷電容到PGND,盡能夠接近引腳 |
36 | CSPBUS | 電流檢測縮小器輸入正端,檢測VBUS端電流 |
37 | CSNBUS | 電流檢測縮小器輸入負端,檢測VBUS端電流 |
38 | CC1 | C口檢測和快充通訊引腳 |
39 | CC2 | C口檢測和快充通訊引腳 |
40 | DPC | C口和談辨認旌旗燈號D+ |
41 | DMC | C口和談辨認旌旗燈號D- |
42 | VGC | C口輸入、輸入途徑NMOS節制引腳 |
二、廚藝word文件
范例 | 標題 | 上傳時候 | 文檔下載 |
產物規格書(中文) | PL93056_Datasheet_CN_R1.0 | 2025/04/09 | PDF下載 |
終產物金橋銅業跨接線的截面積大小書(英語) | PL93056_Datasheet_en_R1.0 | 2025/04/09 | PDF下載 |
三、用預計
序號 | 標題 |
1 |
18-65W電開東西及電池包充電計劃
|
2 |
CA/2-4串/30-45W充電寶計劃
|